2015年10月、帝金株式会社はテロ対策のハイセキュリティーボラード製造の業界最大手「ATGアクセス社」と日本における戦略的パートナーとして業務提携契約を締結しました。
世界約50ヶ国で販売されるATGアクセス社のハイセキュリティーボラードは、2012年のロンドンオリンピックでは、オリンピックパーク全域や選手村・施設などで860本を越え、さらにメイン会場とは別の競技場は25ヶ所を数え、離れた会場のためには「バリアーインボックス」という一時的かつ移動可能な製品を開発し、オリンピックを成功に導いた実績があります。そして、それらの製品すべてに対して実車衝突テストを行って安全性を検証しています。また他にも、10数センチのごく浅い深さで施工できるタイプ(シャローマウントボラード)や、一時的に設置可能なテンポラリータイプ(サーフェスマウントボラード)、手動で開閉可能なスイングバータイプ(シティスケープゲート)など、常に最高で最先端のハイセキュリティーソリューションを開発し続けています。
帝金が上下式バリカーを世に出して、半世紀を経過しました。近年は、国内でも車両の暴走等による事故が問題視されることが多くなってきました。これからも帝金は「ハイセキュリティーボラード」の分野における「新たな創造と価値」を提案・提供してまいります。






イメージ(収納時)
構造イメージ

形状イメージ
施工例
エミレーツスタジアム(イギリス ロンドン)
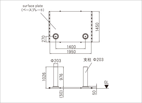
浅型取付式
ロンドンオリンピックパーク
衝突実験
オーストラリア高等弁務官事務所
ウェストミンスター宮殿(イギリス ロンドン)



衝突実験(車両重量:7500kg/約48km/h)
